
系由电动机全速运转带动主轴,经主轴转动乳化机转子;由乳化机转子之导流叶片,使其将物料经定子的上端与下端吸入定子框内,经转子叶片的端刀面与定子框的极小间隙,从而达到剪切、粉碎、均质的效果;再借叶片的高速离心旋转,使物料由乳化机定子的槽内排出,使物料达到内循环的状态;在极短的时间内即可完成均质、乳化的目的。

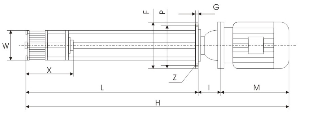
1、本机之机械长度(L)尺寸为标准长度,若须加长或减短可另行配合制造。
2、机械长度之最佳位置选择为乳化框槽制于有效液面深入60%为最佳。
3、乳化机之选定时请参考:容量、粘度、处理时间、反应温度、目的、致函本公司业务部。
4、乳化机之水中轴套采用自润式轴承,严禁液体低于水中轴套时启动设备,以避免造成轴受损毁。
5、正确参数以提供的实物为准,数据如有更改,恕不另行通知。

| 功率KW | 有效容量L | 转速 min/r | H | M | I | L | G | P | F | W | X | Z |
| 1.5 | 20-100 | 1450/2840 | 970 | 300 | 80 | 590 | 10 | 180 | 210 | 140 | 150 | 11 |
| 3 | 50-200 | 1450/2840 | 1320 | 320 | 110 | 890 | 12 | 210 | 245 | 170 | 200 | 13 |
| 4 | 100-300 | 1450/2840 | 1425 | 335 | 140 | 950 | 14 | 210 | 245 | 180 | 200 | 13 |
| 5.5 | 150-600 | 1450/2840 | 1575 | 385 | 140 | 1050 | 15 | 245 | 280 | 190 | 210 | 15 |
| 7.5 | 200-800 | 1450/2840 | 1675 | 385 | 140 | 1150 | 15 | 245 | 280 | 205 | 210 | 15 |
| 11 | 300-1000 | 1450/2840 | 1800 | 490 | 160 | 1150 | 18 | 280 | 350 | 215 | 260 | 18 |
| 15 | 400-1300 | 1450/2840 | 1870 | 490 | 180 | 1200 | 25 | 280 | 350 | 225 | 260 | 18 |
| 18.5 | 500-1500 | 1450/2840 | 2000 | 540 | 180 | 1280 | 25 | 280 | 350 | 240 | 260 | 18 |
| 22 | 800-2000 | 1450/2840 | 2220 | 560 | 180 | 1480 | 25 | 280 | 350 | 255 | 300 | 20 |
立即咨询

手机二维码

在线咨询
工作日: 8:00-17:00
在线咨询